Редуктор 2Ч-80 червячный одноступенчатый
7 640 грн
С условиями доставки и оплаты можно ознакомиться здесь.
Описание
Редуктор червячный Ч, 1Ч, 2Ч: Идеальное решение для вашего промышленного оборудования
Червячный редуктор 2Ч-80-10 представляют собой передовое решение для изменения крутящего момента и управления скоростью в различных промышленных приложениях. Эти устройства характеризуются высокой точностью и надежностью, обеспечивая эффективную работу механизмов при сниженной нагрузке на двигатель.
Основные преимущества:
– Повышенная эффективность: Червячные редукторы оптимизируют процессы передачи мощности, значительно уменьшая энергопотребление.
– Улучшенная долговечность: Применение износостойких материалов гарантирует длительный срок службы даже при высоких эксплуатационных нагрузках.
– Универсальность использования: Благодаря различным размерам и конфигурациям, редукторы подходят для широкого спектра машин и механизмов.
Габаритные и присоединительные размеры, мм

| Редуктор | Aw | А | B | B 1 | B 2 | B 3 | H | H 1 | H 2 | L | L 1 | L 2 | L 3 | L 4 | d |
| 2Ч-80 | 80 | 180 | 162 | 140 | 185 | 212 | 267 | 92 | 42 | 238 | 160 | 225 | 260 | 145 | 15 |
Технические характеристики редуктора 2Ч-80
| Номинальное передаточное число | 2Ч-80 | |
| Номинальный крутящий момент на выходном валу, Н.м | КПД | |
| 8 | 230 | 0,90 |
| 10 | 210 | 0,89 |
| 12,5 | 200 | 0,88 |
| 16 | 260 | 0,85 |
| 20 | 240 | 0,83 |
| 25 | 220 | 0,82 |
| 31,5 | 280 | 0,77 |
| 40 | 260 | 0,72 |
| 50 | 240 | 0,71 |
| 63 | 210 | 0,64 |
| 80 | 180 | 0,71 |
| Масса, кг | 25 | |
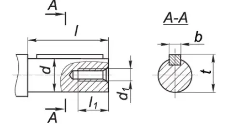
Присоединительные размеры быстроходного вала редуктора 2Ч-80

| Редуктор | d | d1 | l | l1 | b | t |
| 2Ч-40 | 16 | M5 | 28 | 15 | 3 | 8.5 |
| 2Ч-63 | 22 | M8 | 36 | 20 | 4 | 11.6 |
| 2Ч-80 | 25 | M8 | 42 | 20 | 5 | 13.45 |
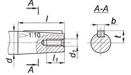
Присоединительные размеры тихоходного вала редуктора 2Ч-80

| Редуктор | d | d1 | l | l1 | b | t |
| 2Ч-40 | 18к6 | M5 | 40 | 15 | 6 | 20,5 |
| 2Ч-63 | 28к6 | M8 | 60 | 20 | 8 | 31 |
| 2Ч-80 | 35к6 | M8 | 80 | 20 | 10 | 38 |
Присоединительные размеры полых валов редуктора 2Ч-80

| Редуктор | d | d1 | l | l1 | b | t | D*m*H8 |
| 2Ч-40 | 23 | 18 | 112 | 72 | 6 | 20,8 | 22*1.5*H8 |
| 2Ч-63 | 33 | 28 | 108 | 68 | 8 | 31.1 | 32*1.5*H8 |
| 2Ч-80 | 41 | 35 | 116 | 66 | 10 | 38.3 | 40*1.5*H8 |
Вариант сборки редуктора Ч, 2Ч.

Условное обозначения редуктора 2Ч (Ч) при заказе:
Редуктор 2Ч-80-10-51-1-У3, где:
2Ч – тип редуктора;
80 – межосевое расстояние тихоходной ступени;
10 – номинальное передаточное число;
51 – вариант сборки;
1 – вариант расположения червячной пари;
У3 – климатическое исполнение;
Примеры использования:
– Пищевая промышленность: Управление скоростью миксеров и дозаторов.
– Текстильная промышленность: Регулировка скорости текстильных машин.
– Машиностроение: Предоставление точного контроля для сборочных линий.
Рекомендации по эксплуатации:
Для обеспечения долгой и безаварийной работы редукторов рекомендуется регулярное техническое обслуживание, включая проверку уровня смазки и состояние износа компонентов.
Гарантия и поддержка:
На все редукторы Ч, 1Ч, 2Ч предоставляется расширенная гарантия, а также доступны полный спектр технической поддержки и послепродажного обслуживания.
Как заказать:
Для заказа редукторов Ч, 1Ч, 2Ч посетите наш веб-сайт или свяжитесь с нашим отделом продаж. Мы поможем подобрать идеальное решение, учитывая ваши технические требования и условия эксплуатации.
Также у нас ВЫ можете получить информацию по подбору и спецификации других видов редукторов, таких как: 1Ц2У, Ц2У, Ц2У-Н, ЦУ, 1ЦУ, Ц3У, Ц2Н, РМ, РЦД, ЦТНД, ЦЗУ, РК, ГПШ, ЦДН, ЦДНД, КЦ1, КЦ2, 1МЦ2С, МР1 ,МР2, МР3, МПО, В, ВК, ВКУ, УЗВК, А, Ч, 2Ч, NMRV, Ч2, ЧГ, РЧП, РЧН, РГП, РГС, РГ, РГСП, 3МП, 4МП, 5МП с доставкой по всей Украине: Харьков, Лозовая, Изюм, Чугуев, Балаклея, Черкассы, Первомайский, Мерефа, Купянск, Валки, Винница, Жмеринка, Козятин, Хмельник, Луцк, Нововолынск, Ковель, Каменка-Бугская, Рожище, Днепр, Кривой Рог, Никополь, Павлоград, Кринички, Житомир, Бердичев, Коростень, Малин, Новоград-Волынский, Ужгород, Мукачево, Хуст, Берегово, Виноградов, Запорожье, Ивано-Франковск, Коломыя, Долина, Калуш, Галич, Киев, Борисполь, Бровары, Фастов, Белая Церковь, Кропивницкий, Светловодск, Александрия, Знаменка, Львов, Дрогобыч, Стрый, Жовква, Новояворовск, Николаев, Первомайск, Вознесенск, Южноукраинск, Новая Одесса, Одесса, Южный, Измаил, Белгород-Днестровский, Полтава, Кременчуг, Миргород, Гадяч, Кобеляки, Ровно, Дубно, Костополь, Здолбунов, Острог, Сумы, Конотоп, Шостка, Ромны, Ахтырка, Тернополь, Чертков, Кременец, Бережаны, Збараж, Хмельницкий, Каменец-Подольский, Шепетовка, Славута, Ярмолинцы, Чернигов, Нежин, Прилуки, Бахмач, Новгород-Северский, Черновцы, Новоселица, Вашковцы, Сокиряны, Заставна, Ивано-Франковск.
Детали
| Вес | 0,25 кг |
|---|---|
| Габариты | 28 × 21 × 27 см |
Основные характеристики:
| Предназначение | Для электродвигателя, Для шнека, Для мульчера, Для двигателя |
| Тип | Червячный, Понижающий |
| Маркировка | 2Ч |
| Предаточное число | 8, 10, 12.5, 16, 20, 25, 31.5, 40, 50, 63, 80 |
| Межосевое расстояние | 80mm |
| Количество ступеней | Одноступенчатый |










