Редуктор ВК-550 цилиндрический трехступенчатый крановый
43 700 грн
С условиями доставки и оплаты можно ознакомиться здесь.
Описание
Редуктор ВК-550-71: Высокопроизводительное решение для промышленных приводов
Общее описание:
Редуктор ВК – трехступенчатый крановый редуктор, применяется при повторно-кратковременных режимах работы, представляет собой высокотехнологичное устройство для эффективной передачи крутящего момента и уменьшения скорости вращения в машинах и механизмах. Этот редуктор разработан с использованием передовых технологий, что обеспечивает его выдающуюся надежность и долговечность даже в самых жестких условиях эксплуатации.
Преимущества:
Повышенная эффективность: Редуктор ВК оптимизирован для максимальной передачи мощности при минимальных потерях, что значительно повышает эффективность оборудования.
Универсальность применения: Благодаря широкому диапазону передаточных чисел и возможности настройки под специфические условия работы, ВК подходит для различных промышленных приложений.
Низкая стоимость эксплуатации: Продуманная конструкция редуктора и применение высококачественных материалов минимизируют необходимость в частом обслуживании и ремонте.
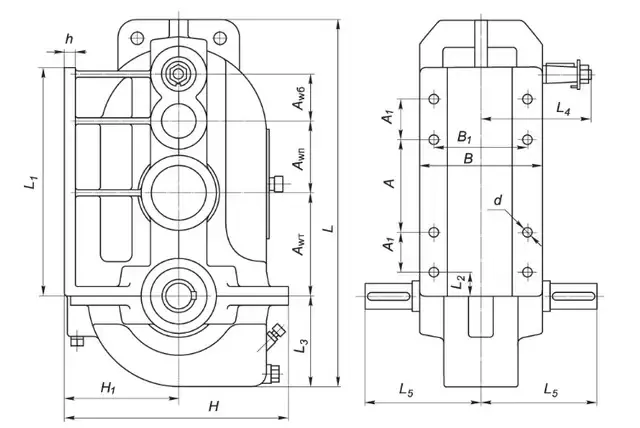
Габаритные и присоединительные размеры, мм

| Редуктор |
Aw т | Aw п | Aw б | А | А1 | В | В1 | Н | Н1 |
| ВК-350 | 130 | 130 | 90 | 185 | – | 220 | 185 | 298 | 150 |
| ВК-475 | 210 | 160 | 105 | 200 | 80 | 250 | 215 | 458 | 220 |
| ВК-550 | 220 | 190 | 140 | 320 | 70 | 280 | 245 | 488 | 235 |
продолжение таблици
| Редуктор | L | L1 | L2 | L3 | L4 | L5 | d | h | Масса, кг |
| ВК-350 | 558 | 280 | 50 | 132 | 198 | 180 | 17 | 20 | 77 |
| ВК-475 | 790 | 482 | 50 | 200 | 243 | 260 | 17 | 25 | 215 |
| ВК-550 | 880 | 557 | 50 | 215 | 258 | 280 | 17 | 25 | 279 |
Технические характеристики редуктора ВК-550
| Типоразмер редуктора |
Передаточное отношение |
Частота вращения входного вала, мин-1 |
Номинальный крутящий момент на выходном валу, Н·м |
| ВК-350 | 10; 14; 31,5; 50; | 1000 | 500 |
| ВК-475 | 20; 28; 50; 112; | 1700 | |
| ВК-550 | 18; 31,5; 71; 125; | 2400 |
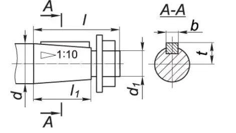
Присоединительные размеры быстроходных конических валов редуктора ВК, мм.

| Редуктор
|
d | d1 | l | l1 | b | t |
| ВК-350 | 30 | М20*1,5 | 80 | 60 | 8 | 16,5 |
| ВК-475 | 40 | M24*2,0 | 110 | 82 | 10 | 20,9 |
| ВК-550 | 40 | M24*2,0 | 110 | 82 | 10 | 20,9 |
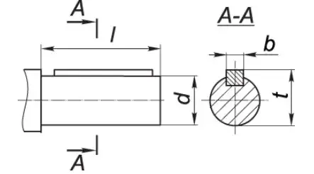
Присоединительные размеры тихоходных цилиндрических валов редуктора ВК, мм.

| Редуктор
|
d | l | b | t |
| ВК-350 | 35 | 55 | 10 | 38,5 |
| ВК-475 | 65 | 110 | 18 | 69 |
| ВК-550 | 80 | 110 | 22 | 85 |
Вариант сборки редуктора ВК-550

Условное обозначения редуктора ВК при заказе:
Редуктор ВК-550-71-33-У2, где:
ВК – тип редуктора;
550 – общее межосевое расстояние;
71 – номинальное передаточное число;
33 – вариант сборки редуктора;
У2 – климатическое исполнение;
Области применения:
Редуктор ВК-550-71 широко используется в таких секторах, как металлургия, горнодобывающая промышленность, энергетика и строительство, где требуется надежная и мощная передача движения.
Примеры успешного использования:
Энергетическая отрасль: ВК применяется в приводах ветряных турбин для оптимизации их работы.
Горнодобывающая промышленность: Редукторы используются в оборудовании для перемещения породы, обеспечивая его бесперебойную работу.
Рекомендации по выбору и эксплуатации:
При выборе редуктора ВК важно учитывать характер нагрузок и условия работы машины. Регулярные осмотры и замена масла помогут поддерживать редуктор в оптимальном состоянии и продлить его эксплуатационный срок.
Гарантии и поддержка:
Мы предоставляем гарантию на редукторы ВК, а также полный пакет послепродажных услуг, включая техническую поддержку и поставку запасных частей.
Как заказать:
Заказать редуктор ВК можно через наш веб-сайт или связавшись напрямую с отделом продаж. Мы предложим индивидуальные условия покупки и доставки, соответствующие вашим требованиям.
Также у нас ВЫ можете получить информацию по подбору и спецификации других видов редукторов, таких как: 1Ц2У, Ц2У, Ц2У-Н, ЦУ, 1ЦУ, Ц3У, Ц2Н, РМ, РЦД, ЦТНД, ЦЗУ, РК, ГПШ, ЦДН, ЦДНД, КЦ1, КЦ2, 1МЦ2С, МР1 ,МР2, МР3, МПО, В, ВК, ВКУ, УЗВК, А, Ч, 2Ч, NMRV, Ч2, ЧГ, РЧП, РЧН, РГП, РГС, РГ, РГСП, 3МП, 4МП, 5МП с доставкой по всей Украине: Харьков, Лозовая, Изюм, Чугуев, Балаклея, Черкассы, Первомайский, Мерефа, Купянск, Валки, Винница, Жмеринка, Козятин, Хмельник, Луцк, Нововолынск, Ковель, Каменка-Бугская, Рожище, Днепр, Кривой Рог, Никополь, Павлоград, Кринички, Житомир, Бердичев, Коростень, Малин, Новоград-Волынский, Ужгород, Мукачево, Хуст, Берегово, Виноградов, Запорожье, Ивано-Франковск, Коломыя, Долина, Калуш, Галич, Киев, Борисполь, Бровары, Фастов, Белая Церковь, Кропивницкий, Светловодск, Александрия, Знаменка, Львов, Дрогобыч, Стрый, Жовква, Новояворовск, Николаев, Первомайск, Вознесенск, Южноукраинск, Новая Одесса, Одесса, Южный, Измаил, Белгород-Днестровский, Полтава, Кременчуг, Миргород, Гадяч, Кобеляки, Ровно, Дубно, Костополь, Здолбунов, Острог, Сумы, Конотоп, Шостка, Ромны, Ахтырка, Тернополь, Чертков, Кременец, Бережаны, Збараж, Хмельницкий, Каменец-Подольский, Шепетовка, Славута, Ярмолинцы, Чернигов, Нежин, Прилуки, Бахмач, Новгород-Северский, Черновцы, Новоселица, Вашковцы, Сокиряны, Заставна, Ивано-Франковск.
Детали
| Вес | 2,79 кг |
|---|---|
| Габариты | 88 × 56 × 49 см |
Основные характеристики:
| Предназначение | Для двигателя, Для электродвигателя |
| Тип | Вертикальный, Крановый, Понижающий |
| Маркировка | ВК |
| Предаточное число | 18, 31.5, 71, 125 |
| Межосевое расстояние | 550mm |
| Количество ступеней | Трехступенчатый |



