Редуктор 1Ц3У-160 цилиндрический трехступенчатый
14 670 грн
С условиями доставки и оплаты можно ознакомиться здесь.
Описание
Редуктор цилиндрический 1Ц3У-160 – это высококачественный механизм, предназначенный для изменения крутящего момента и скорости вращения в машинах и механизмах различного назначения. Эти редукторы являются незаменимыми в сферах, где требуется надежная и долговечная передача мощности.
Преимущества:
– Эффективность и надежность: Благодаря современным технологиям производства и использованию высококачественных материалов, редукторы Ц3У гарантируют превосходную производительность и долгий срок службы.
– Универсальность: Широкий спектр модификаций позволяет использовать их в разнообразных условиях и для множества задач.
– Простота обслуживания: Конструкция редукторов обеспечивает легкий доступ к основным компонентам, что упрощает их техническое обслуживание.
Габаритные и присоединительные размеры, мм

| Типоразмер редуктора |
Аw т | Аw п | Аw б | В | B1 | Н | H1 | h | L | L1 | L2 | L3 | L4 | L5 | d |
| мм | |||||||||||||||
| 1Ц3У-160 | 160 | 100 | 80 | 206 | 195 | 345 | 170 | 32 | 630 | 530 | 135 | 195 | 160 | 224 | 24 |
| 1Ц3У-200 | 200 | 125 | 100 | 243 | 230 | 425 | 212 | 36 | 775 | 650 | 165 | 236 | 190 | 280 | 24 |
| 1Ц3У-250 | 250 | 160 | 125 | 290 | 280 | 530 | 265 | 36 | 950 | 825 | 212 | 290 | 236 | 335 | 28 |
Технические характеристики Ц3У – 160
| Типоразмер редуктора |
Передаточное отношение |
Частота вращения входного вала, мин-1 |
Номинальный крутящий момент на выходном валу, Н·м |
Масса, кг |
| 1Ц3У – 160 | 16; 20; 25; 31,5; 40; 45; 50; 56; 63; 80; 100; 125; 160; 200; | от 1500 до 500 | 1250 | 64 (110) |
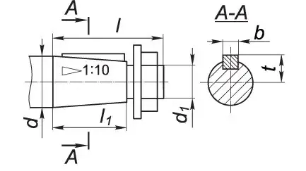
Присоединительные размеры конических валов редукторов 1Ц3У.

| Редуктор | быстроходный вал | тихоходный вал | ||||||||||
| d | d1 | l | l1 | b | t | d | d1 | l | l1 | b | t | |
| 1Ц3У-160 | 20 | M12*1.25 | 50 | 36 | 4 | 10.6 | 55 | M36*3.0 | 110 | 82 | 14 | 28.95 |
| 1Ц3У-200 | 25 | M16*1.5 | 60 | 42 | 5 | 13.45 | 70 | M48*3.0 | 140 | 105 | 18 | 36.38 |
| 1Ц3У-250 | 30 | M20*1.5 | 80 | 58 | 5 | 15.55 | 90 | M64*4.0 | 170 | 130 | 22 | 46.75 |
Присоединительные размеры цилиндрических валов редукторов 1Ц3У.

| Редуктор | быстроходный вал | тихоходный вал | ||||||
| d | l | b | t | d | l | b | t | |
| 1Ц3У-160 | 18к6 | 36 | 6 | 20.5 | 50m6 | 105 | 14 | 53.5 |
| 1Ц3У-200 | 22к6 | 42 | 6 | 24.5 | 65m6 | 105 | 18 | 69 |
| 1Ц3У-250 | 25к6 | 58 | 8 | 28 | 85m6 | 170 | 22 | 90 |
Присоединительные размеры тихоходного вала в виде зубчатой полумуфты 1Ц3У.

| Редуктор | b | d | d1 | d2 | d3 | L | l | l1 | Зацепление | |
| m | z | |||||||||
| 1Ц3У-160 | 20 | 168 | 90 | 72F8 | 95 | 170 | 9 | 38 | 4 | 40 |
| 1Ц3У-200 | 25 | 210 | 100 | 80F8 | 105 | 197 | 10 | 50 | 5 | 40 |
| 1Ц3У-250 | 30 | 232 | 150 | 120F8 | 170 | 236 | 10 | 60 | 6 | 40 |
Варианты сборки редуктора 1Ц3У:

Условное обозначения редуктора Ц3У (1Ц3У) при заказе:
Редуктор 1Ц3У-160-16-12-У3, где:
1Ц3У – тип редуктора;
160 – межосевое расстояние тихоходной ступени;
16 – номинальное передаточное число;
12 – вариант сборки;
У3 – климатическое исполнение;
Технические характеристики:
Области применения редуктора 1Ц3У-160.
Редукторы цилиндрические 1Ц3У нашли свое применение в многих отраслях, включая машиностроение, металлургию, химическую промышленность, сельское хозяйство и строительство. Они идеально подходят для использования в транспортерах, лифтах, смесительном оборудовании и других типах промышленной техники.
Примеры использования:
– Привод конвейерных лент в производственных линиях.
– Системы подъема и перемещения на строительных площадках.
– Сельскохозяйственные машины для обработки почвы.
Рекомендации по выбору и эксплуатации:
При выборе редуктора 1Ц3У учитывайте тип нагрузки, условия эксплуатации и требуемые параметры мощности и скорости. Регулярно проверяйте состояние редуктора, проводите плановые технические осмотры и своевременно заменяйте смазочные материалы.
Гарантии и поддержка:
Мы предоставляем расширенные гарантии на все наши редукторы 1Ц3У, а также полный спектр услуг по техническому обслуживанию и ремонту.
Как заказать:
Для заказа или получения дополнительной информации о редукторах цилиндрических 1Ц3У посетите наш веб-сайт или свяжитесь с нашим отделом продаж по телефону или электронной почте. Мы поможем вам выбрать наилучшее решение, отвечающее вашим техническим требованиям.
Также у нас ВЫ можете получить информацию по подбору и спецификации других видов редукторов, таких как: 1Ц2У, Ц2У, Ц2У-Н, ЦУ, 1ЦУ, Ц3У, Ц2Н, РМ, РЦД, ЦТНД, ЦЗУ, РК, ГПШ, ЦДН, ЦДНД, КЦ1, КЦ2, 1МЦ2С, МР1 ,МР2, МР3, МПО, В, ВК, ВКУ, УЗВК, А, Ч, 2Ч, NMRV, Ч2, ЧГ, РЧП, РЧН, РГП, РГС, РГ, РГСП, 3МП, 4МП, 5МП с доставкой по всей Украине: Харьков, Лозовая, Изюм, Чугуев, Балаклея, Черкассы, Первомайский, Мерефа, Купянск, Валки, Винница, Жмеринка, Козятин, Хмельник, Луцк, Нововолынск, Ковель, Каменка-Бугская, Рожище, Днепр, Кривой Рог, Никополь, Павлоград, Кринички, Житомир, Бердичев, Коростень, Малин, Новоград-Волынский, Ужгород, Мукачево, Хуст, Берегово, Виноградов, Запорожье, Ивано-Франковск, Коломыя, Долина, Калуш, Галич, Киев, Борисполь, Бровары, Фастов, Белая Церковь, Кропивницкий, Светловодск, Александрия, Знаменка, Львов, Дрогобыч, Стрый, Жовква, Новояворовск, Николаев, Первомайск, Вознесенск, Южноукраинск, Новая Одесса, Одесса, Южный, Измаил, Белгород-Днестровский, Полтава, Кременчуг, Миргород, Гадяч, Кобеляки, Ровно, Дубно, Костополь, Здолбунов, Острог, Сумы, Конотоп, Шостка, Ромны, Ахтырка, Тернополь, Чертков, Кременец, Бережаны, Збараж, Хмельницкий, Каменец-Подольский, Шепетовка, Славута, Ярмолинцы, Чернигов, Нежин, Прилуки, Бахмач, Новгород-Северский, Черновцы, Новоселица, Вашковцы, Сокиряны, Заставна, Ивано-Франковск.
Детали
| Вес | 1,1 кг |
|---|---|
| Габариты | 63 × 39 × 35 см |
Основные характеристики:
| Предназначение | Для гранулятора, Для двигателя, Для мульчера, Для электродвигателя |
| Тип | Цилиндрический, Понижающий |
| Маркировка | 1Ц3У |
| Предаточное число | 16, 20, 25, 31.5, 40, 45, 50, 56, 63, 80, 100, 125, 160, 200 |
| Межосевое расстояние | 160mm |
| Количество ступеней | Трехступенчатый |




