Мотор-редуктор МР3-800 триступеневий планетарний
330 250 грн
З умовами доставки та оплати можна ознайомитись тут.
Опис
Мотор-редуктор планетарний МР3-800 – це вершина інженерної думки в галузі автоматизації та машинобудування. Цей інноваційний продукт об'єднує переваги планетарної передачі з високим крутним моментом та компактністю, роблячи його ідеальним рішенням для найвимогливіших застосування.
Переваги:
– Висока ефективність та надійність: Завдяки унікальній конструкції, мотор-редуктор забезпечує високу ефективність передачі потужності при мінімальних втратах.
– Довговічність: Використання високоякісних матеріалів гарантує тривалий термін служби навіть у екстремальних умовах.
– Універсальність: Широкий діапазон потужностей та крутних моментів робить мотор-редуктор планетарний МР1, МР2, МР3 підходящим для багатьох завдань.
Технічна характеристика мотор-редукторів МР3-800
| Типорозмір | Виконання по кріпленню | Номіннальне передаточне число | Номінальна частота обертання вихідного вала, об/хв | Номінальний крутний момент на вихідному валу Н.м. | Допускне радіальне навантаж. на вихідний вал, Н | Вага, кг | Електродвигун | Загальна довжина L,мм |
||
| Редукторна частина | Мотор-редуктор | Тип | Потужнысть, кВт |
|||||||
| МР3-800-11-32 | Ф1В | 46,77 | 32 | 36635 | 50 000 | 2450 | 3290 | АИР280М4 | 132 | 2810 |
| МР3-800-11-20 | 74,4 | 20 | 58615 | 3290 | АИР280М4 | 2810 | ||||
| МР3-800-21-20 | 48850 | 3420 | АИМ280S4 | 110 | 2770 | |||||
| МР3-800-12-20 | 39965 | 3000 | АИР250М4 | 90 | 2475 | |||||
| МР3-800-22-20 | 3270 | АИМ250М4 | 2725 | |||||||
| МР3-800-11-16 | 91,2 | 16 | 61060 | 3230 | АИР280S4 | 110 | 2770 | |||
| МР3-800-21-16 | 3420 | АИМ280S4 | 2770 | |||||||
| МР3-800-12-16 | 49960 | 3000 | АИР250М4 | 90 | 2475 | |||||
| МР3-800-22-16 | 3270 | АИМ250М4 | 2725 | |||||||
| МР3-800-13-16 | 30530 | 2840 | АИР225М4 | 55 | 2360 | |||||
| МР3-800-12-12,5 | 118,4 | 12,5 | 63945 | 3000 | АИР250М4 | 90 | 2475 | |||
| МР3-800-22-12,5 | 3270 | АИМ250М4 | 2725 | |||||||
| МР3-800-13-12,5 | 39080 | 2840 | АИР225М4 | 55 | 2360 | |||||
| МР3-800-12-10 | 151,2 | 10 | 66610 | 2960 | АИР250S4 | 75 | 2490 | |||
| МР3-800-22-10 | 3200 | АИМ250S4 | 2695 | |||||||
| МР3-800-13-10 | 48850 | 2840 | АИР225М4 | 55 | 2415 | |||||
| МР3-800-13-8 | 179,2 | 8 | 61060 | 2840 | АИР225М4 | 2415 | ||||
| МР3-800-13-6,3 | 151,2 | 6,3 | 52160 | 2840 | АИР225М6 | 37 | 2415 | |||
| МР3-800-13-5 | 179,2 | 5 | 65725 | 2840 | АИР225М6 | 37 | 2415 | |||
| МР3-800-13-4 | 4 | 66610 | 2840 | АИР225М8 | 30 | 2415 | ||||
Монтажне виконання мотор-редукторів МР:
Ф1В – вертикальне, вихідним валом донизу, з циліндричним кінцем вихідного валу.
Ф2П – горизонтальне, з циліндричним кінцем валу.
Ф1П – вертикальне, вихідним валом вниз, кінець вихідного валу виконаний у вигляді фланцевої напівмуфти з вбудованим зубчастим компенсатором.
Ф2П – горизонтальне, .кінець вихідного валу виконаний у вигляді фланцевої напівмуфти з вбудованим зубчастим компенсатором.
Щ – горизонтальне, на опорних лапах.
Позначення загальнопромислових та вибухозахищених двигунів
| Умовне позначення | Тип електроприводів мотор-редукторов МР | |||||||||
| Загальнопромислові | Вибухозахищені | |||||||||
| АИР280 | АИР250 | АИР225 | АИР200 | АИР180 | АИР160 | АИМ280 | АИМ250 | АИМ180 | АИМ160 | |
| Код | 11 | 12 | 13 | 14 | 15 | 16 | 21 | 22 | 25 | 26 |
Габаритні та приєднувальні розміри мотор-редукторів МР, мм.

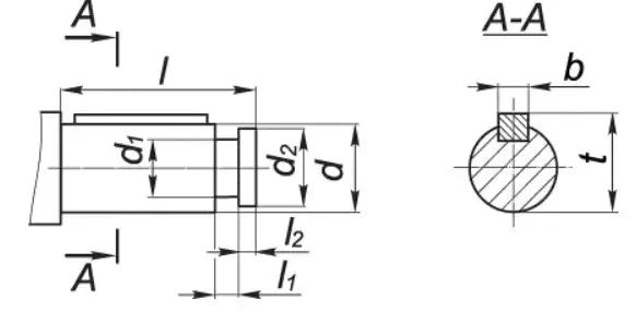
Розміри вихідних валів мотор-редуктора МР, мм.

| Тип мотор-редуктора | d | d1 | d2 | l | l1 | l2 | b | t |
| МР1-315 | За індивідуальним замовленням | |||||||
| МР2-315 | 90 | 80 | 88 | 170 | 10 | 8 | 25 | 99 |
| МР3-315 | 90 | 80 | 88 | 170 | 10 | 8 | 25 | 99 |
| МР1-500 | За індивідуальним замовленням | |||||||
| МР2-500 | 125 | 110 | 123 | 210 | 12 | 10 | 32 | 136 |
| МР3-500 | 125 | 110 | 123 | 210 | 12 | 10 | 32 | 136 |
Приєднувальні розміри вихідних валів у вигляді напівмуфти мотор-редуктора МР, мм.

| Тип мотор-редуктора | d | d1 | d2 | d3 | L | L1 | n |
| МР1-315 | 100 | 150 | 180 | 16 | 4 | 20 | 4 |
| МР2-315 | 115 | 224 | 260 | 20 | 4 | 22 | 6 |
| МР3-315 | 115 | 224 | 260 | 20 | 4 | 22 | 6 |
| МР1-500 | 150 | 224 | 260 | 20 | 4 | 22 | 6 |
| МР2-500 | За індивідуальним замовленням | ||||||
| МР3-500 | За індивідуальним замовленням | ||||||
Умовне позначення Мотор-редуктора МР при замовленні:
Редуктор МР3-800-11-32-Ф1В-У2, де:
МР – тип мотор-редуктора;
3 – кількість ступенів ;
800 – радіус розташування осей сателітов;
11 – виконання по двигуну;
32 – частота обертання вихідного валу, об/хв;
Ф1В – конструктивне виконання при монтажу (вертикальне, вихідним валом донизу, з циліндричним кінцем вихідного валу);
У2 – климатичне виконання;
Технічні характеристики:
Області застосування МР3-800:
Від машинобудування до робототехніки та автоматизації виробничих ліній – мотор-редуктор планетарний МР є вибором №1 для спеціалістів, які прагнуть максимізувати продуктивність та надійність свого обладнання.
Приклади використання:
– Приводи харчових, хімічних,фармакологічних галузях промисловості.
– Автоматизовані робочі станції.
Рекомендації щодо вибору та експлуатації:
Обираючи мотор-редуктор МР, оцініть потрібну потужність та крутний момент, а також умови експлуатації. Регулярне технічне обслуговування забезпечить довговічність та надійність у роботі.
Гарантії та підтримка:
Ми пропонуємо розширену гарантію на наші мотор-редуктори, а також повний спектр післяпродажного обслуговування та технічної підтримки.
Як замовити:
Для замовлення мотор-редуктора планетарного МР1-315, МР2-315, МР3-315, МР1-500, МР2-500, МР3-500, МР3-800 відвідайте наш веб-сайт або зв'яжіться з нашим відділом продажів. Ми допоможемо підібрати оптимальну конфігурацію для ваших завдань.
Також у нас Ви можете отримати інформацію щодо підбору та специфікації інших видів редукторів, таких як: 1Ц2У, Ц2У, Ц2У-Н, ЦУ, 1ЦУ, Ц3У, Ц2Н, РМ, РЦД, ЦТНД, ЦЗУ, РК, ГПШ, ЦДН, ЦДНД, КЦ1, КЦ2, 1МЦ2С, МР1, МР2, МР3, МПО, В, ВК, СКУ, УЗВК, А, Ч, 2Ч, NMRV, Ч2, ЧГ, РЧП, РЧН, РГП, РГС, РГ, РГСП, 3МП, 4МП, 5МП з доставкою по всій Україні: Харків, Лозова, Ізюм, Чугуїв, Балаклія, Черкаси, Первомайський, Мерефа, Куп'янськ, Валки, Вінниця, Жмеринка, Козятин, Хмільник, Луцьк, Нововолинськ, Ковель, Кам'янка-Бузька, Рожище, Дніпро, Кривий Ріг, Нікополь, Павлоград, Кринички, Житомир, Бердичів, Коростень, Малин, Новоград-Волинський, Ужгород, Мукачево, Хуст, Берегове, Виноградів, Запоріжжя, Івано-Франківськ, Коломия, Долина, Калуш, Галич, Київ, Бориспіль, Бровари, Фастів, Біла Церква, Кропивницький, Світловодськ, Олександрія, Знам'янка, Львів, Дрогобич, Стрий, Жовква, Новояворівськ, Миколаїв, Первомайськ, Вознесенськ, Южноукраїнськ, Нова Одеса, Одеса, Південний Полтава, Кременчук, Миргород, Гадяч, Кобеляки, Рівне, Дубно, Костопіль, Здолбунів, Острог, Суми, Конотоп, Шостка, Ромни, Охтирка, Тернопіль, Чортків, Кременець, Бережани, Збараж, Хмельницький, Кам'янець-Поділь Ярмолинці, Чернігів, Ніжин, Прилуки, Бахмач, Новгород-Сіверський, Чернівці, Новоселиця, Вашківці, Сокиряни, Заставна, Івано-Франківськ.
Додаткова інформація
| Вага | 3290 кг |
|---|---|
| Розміри | 28,1 × 11,5 × 11,5 см |
Основні характеристики:
| Призначення | Для двигуна, Для мульчера, Для шнека, Для електромотора, Мотор-Редуктори |
| Тип | Планетарний |
| Маркування | МР3 |
| Оберти на виході | 4, 5, 6.3, 8, 10, 12.5, 16, 20, 32 |
| Міжосьова відстань | 800mm |
| Кількість ступенів | Триступінчастий |




