Редуктор Ч-100 черв’ячний одноступеневий
9 620 грн
З умовами доставки та оплати можна ознайомитись тут.
Опис
Редуктор черв’ячний Ч, 1Ч, 2Ч: Ідеальне рішення для вашого промислового обладнання
Черв’ячний редуктор Ч-100-10 являють собою передове рішення для зміни крутного моменту та керування швидкістю у різних промислових застосуваннях. Ці пристрої характеризуються високою точністю та надійністю, забезпечуючи ефективну роботу механізмів при зниженому навантаженні на двигун.
Основні переваги:
– Підвищена ефективність: Черв’ячні редуктори оптимізують процеси передачі потужності, значно зменшуючи енергоспоживання.
– Покращена довговічність: Використання зносостійких матеріалів гарантує тривалий термін служби навіть при високих експлуатаційних навантаженнях.
– Версатильність використання: Завдяки різним розмірам та конфігураціям, редуктори підходять для широкого спектру машин та механізмів.
Габаритні та приєднувальні розміри, мм

| Редуктор | Aw | B | B 1 | B 2 | B 3 | H | H 1 | H 2 | L | L 1 | L 2 | L 3 | d |
| Ч-100 | 100 | 194 | 175 | 140 | 225 | 312 | 100 | 18 | 373 | 240 | 200 | 225 | 19 |
| Ч-125 | 125 | 243 | 230 | 190 | 230 | 396 | 111 | 22 | 437 | 275 | 230 | 261 | 19 |
| Ч-160 | 160 | 282 | 280 | 230 | 280 | 500 | 140 | 30 | 551 | 350 | 300 | 345 | 22 |
Технічні характеристики редуктора Ч-100
| Номінальне передавальне число |
Ч-100 | |
| Номінальний крутний момент на вихідному валу, Н.м |
ККД | |
| 8 | 488 | 0,95 |
| 10 | 462 | 0,91 |
| 12,5 | 437 | 0,90 |
| 16 | 500 | 0,88 |
| 20 | 487 | 0,86 |
| 25 | 475 | 0,85 |
| 31,5 | 515 | 0,79 |
| 40 | 488 | 0,75 |
| 50 | 475 | 0,74 |
| 63 | 375 | 0,66 |
| 80 | 355 | 0,65 |
| Маса, кг | 57 | |
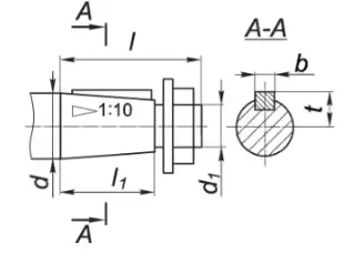
Приєднувальні розміри швидкохідного вала редуктора
Ч-100

| Редуктор | d | d1 | l | l1 | b | t |
| Ч-100 | 32 | M20*1,5 | 80 | 58 | 6 | 17,05 |
| Ч-125 | 32 | М20*1,5 | 80 | 58 | 6 | 17,05 |
| Ч-160 | 40 | М24*2,0 | 110 | 82 | 10 | 20,95 |
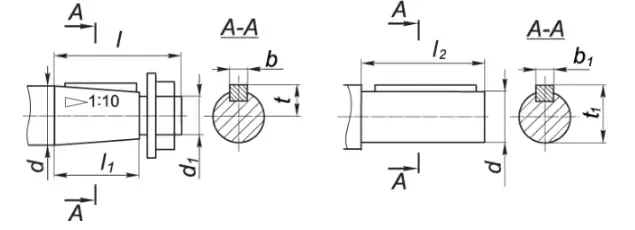
Приєднувальні розміри тихохідного вала редуктора Ч-100

| Редуктор | d | d1 | l | l1 | l2 | b | t | b1 | t1 |
| Ч-100 | 45 | M30*2,0 | 110 | 82 | 90 | 12 | 23,45 | 14 | 48,5 |
| Ч-125 | 55 | М36*3,0 | 110 | 82 | 110 | 14 | 28,95 | 16 | 59 |
| Ч-160 | 70 | М48*3,0 | 140 | 105 | 140 | 18 | 36,375 | 20 | 74,5 |
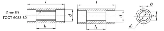
Приєднувальні розміри полих валів редуктора Ч-100

| Редуктор | d | d1 | l | l1 | b | t | D*m*H8 |
| Ч-100 | 46 | 35 | 205 | 90 | 10 | 38.3 | 45*2,0*H8 |
| Ч-125 | 60 | 40 | 230 | 110 | 12 | 43,3 | 55*2,5*H8 |
| Ч-160 | 72 | 60 | 275 | 130 | 18 | 64,4 | 70*2,5*H8 |
Варіант збірки редуктора Ч

Умовне позначення Редуктора Ч при замовленні:
Редуктор Ч-100-10-51-1-У3, де:
Ч – тип редуктора;
100 – міжосьова відстань;
10 – номінальне передаточне число;
51 – конструктивне розміщення при монтажі;
1 – варіант розташування черв’ячної пари;
У3 – кліматичне виконання;
Приклади використання:
– Харчова промисловість: Керування швидкістю міксерів та дозаторів.
– Текстильна промисловість: Регулювання швидкості текстильних машин.
– Машинобудування: Надання точного контролю для складальних ліній.
Рекомендації щодо експлуатації:
Для забезпечення тривалої та безаварійної роботи редукторів рекомендується регулярне технічне обслуговування, включно з перевіркою рівня змащення та стану зношування компонентів.
Гарантія та підтримка:
На всі редуктори Ч, 1Ч, 2Ч надається розширена гарантія, а також доступні повний спектр технічної підтримки та послепродажного обслуговування.
Як замовити:
Для замовлення редукторів Ч, 1Ч, 2Ч відвідайте наш веб-сайт або зв’яжіться з нашим відділом продажів. Ми допоможемо підібрати ідеальне рішення, враховуючи ваші технічні вимоги та умови експлуатації.
Також у нас Ви можете отримати інформацію щодо підбору та специфікації інших видів редукторів, таких як: 1Ц2У, Ц2У, Ц2У-Н, ЦУ, 1ЦУ, Ц3У, Ц2Н, РМ, РЦД, ЦТНД, ЦЗУ, РК, ГПШ, ЦДН, ЦДНД, КЦ1, КЦ2, 1МЦ2С, МР1, МР2, МР3, МПО, В, ВК, СКУ, УЗВК, А, Ч, 2Ч, NMRV, Ч2, ЧГ, РЧП, РЧН, РГП, РГС, РГ, РГСП, 3МП, 4МП, 5МП з доставкою по всій Україні: Харків, Лозова, Ізюм, Чугуїв, Балаклія, Черкаси, Первомайський, Мерефа, Куп’янськ, Валки, Вінниця, Жмеринка, Козятин, Хмільник, Луцьк, Нововолинськ, Ковель, Кам’янка-Бузька, Рожище, Дніпро, Кривий Ріг, Нікополь, Павлоград, Кринички, Житомир, Бердичів, Коростень, Малин, Новоград-Волинський, Ужгород, Мукачево, Хуст, Берегове, Виноградів, Запоріжжя, Івано-Франківськ, Коломия, Долина, Калуш, Галич, Київ, Бориспіль, Бровари, Фастів, Біла Церква, Кропивницький, Світловодськ, Олександрія, Знам’янка, Львів, Дрогобич, Стрий, Жовква, Новояворівськ, Миколаїв, Первомайськ, Вознесенськ, Южноукраїнськ, Нова Одеса, Одеса, Південний Полтава, Кременчук, Миргород, Гадяч, Кобеляки, Рівне, Дубно, Костопіль, Здолбунів, Острог, Суми, Конотоп, Шостка, Ромни, Охтирка, Тернопіль, Чортків, Кременець, Бережани, Збараж, Хмельницький, Кам’янець-Поділь Ярмолинці, Чернігів, Ніжин, Прилуки, Бахмач, Новгород-Сіверський, Чернівці, Новоселиця, Вашківці, Сокиряни, Заставна, Івано-Франківськ.
Додаткова інформація
| Вага | 0,57 кг |
|---|---|
| Розміри | 38 × 20 × 31 см |
Основні характеристики:
| Призначення | Для двигуна, Для мульчера, Для шнека, Для електромотора |
| Тип | Черв'ячний, Знижувальний |
| Маркування | Ч |
| Передавальне число | 8, 10, 12.5, 16, 20, 25, 31.5, 40, 50, 63, 80 |
| Міжосьова відстань | 100mm |
| Кількість ступенів | Одноступінчастий |






