Редуктор КЦ2-750 триступеневий конічно-циліндричний
216 000 грн
З умовами доставки та оплати можна ознайомитись тут.
Опис
Редуктор конічно-циліндричний КЦ2-750 – це високоякісний механізм, призначений для зміни крутного моменту та швидкості обертання в машинах і механізмах різного призначення. Ці редуктори є незамінними в сферах, де потрібна надійна та довговічна передача потужності.
Переваги:
– Ефективність та надійність: Завдяки сучасним технологіям виробництва та використанню високоякісних матеріалів, редуктори КЦ2 гарантують відмінну продуктивність та довгий термін служби.
– Універсальність: Широкий спектр модифікацій дозволяє використовувати їх у різноманітних умовах і для багатьох завдань.
– Простота обслуговування: Конструкція редукторів забезпечує легкий доступ до основних компонентів, що спрощує їх технічне обслуговування.
Габаритні та приєднувальні розміри, мм

| Типорозмір редуктора |
Аw Т | Аw п | А | А1 | В | Н | H1 | h | h1 | L | L1 | L2 | L3 | L4 | d | n |
| мм | шт. | |||||||||||||||
| КЦ-500 | 300 | 200 | 705 | 300 | 350 | 600 | 315 | 25 | – | 1300 | 830 | 90 | 460 | 327 | 22 | 6 |
| КЦ-750 | 450 | 300 | 1120 | 470 | 550 | 765 | 335 | 35 | 130 | 1883 | 1260 | 120 | 625 | 464 | 33 | 10 |
| КЦ-1000 | 600 | 400 | 1530 | 600 | 690 | 956 | 400 | 40 | 200 | 2482 | 1700 | 165 | 848 | 615 | 33 | 10 |
| КЦ-1300 | 800 | 500 | 2020 | 740 | 850 | 1282 | 530 | 50 | 240 | 3178 | 2200 | 220 | 1030 | 790 | 39 | 10 |
Технічні характеристики КЦ2-750
| Типорозмір редуктора |
Передавальний ставлення |
Частота обертання вхідного вала, хв-1 |
Номінальний крутний момент на вихідний валу, Н·м |
Вага, кг |
| КЦ2- 500 | 28; 45; 71; 112; 180; | от 1500 до 500 | 2300 | 435 |
| КЦ2- 750 | 6750 | 1270 | ||
| КЦ2- 1000 | 16500 | 2665 | ||
| КЦ2- 1300 | 37500 | 5380 |
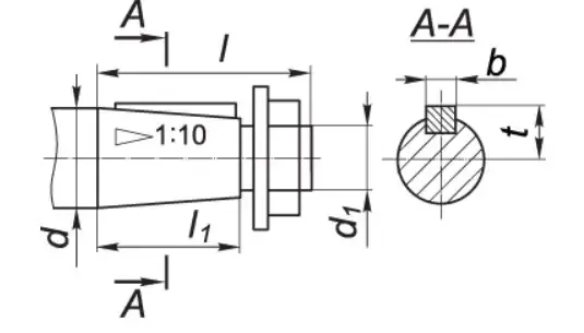
Приєднувальні розміри швидкохідного валу редуктора КЦ2.

| Редуктор | швидкохідний вал (конічний) | |||||
| d | d1 | l | l1 | b | t | |
| КЦ2-500 | 40 | M24*2.0 | 110 | 82 | 10 | 20.9 |
| КЦ2-750 | 50 | M36*3.0 | 110 | 82 | 12 | 26 |
| КЦ2-1000 | 60 | M42*3.0 | 140 | 105 | 16 | 31.4 |
| КЦ2-1300 | 90 | M64*4.0 | 170 | 130 | 22 | 46.8 |
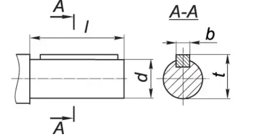
Приєднувальні розміри тихохідного валу редуктора КЦ2.

| Редуктор | тихохідний вал (циліндричний) | |||
| d | l | b | t | |
| КЦ2-500 | 70 | 140 | 20 | 74.5 |
| КЦ2-750 | 90 | 170 | 25 | 95 |
| КЦ2-1000 | 130 | 250 | 32 | 137 |
| КЦ2-1300 | 190 | 350 | 45 | 200 |
Приєднувальні розміри тихохідного валу у вигляді зубчатої напівмуфти редуктора КЦ2.

| Редуктор | b | d | d1 | L | l | l1 | Зацепление | |
| m | z | |||||||
| КЦ2-500 | 25 | 174 | 110 | 270 | 14 | 55 | 3 | 56 |
| КЦ2-750 | 35 | 232 | 140 | 382 | 14 | 60 | 4 | 56 |
| КЦ2-1000 | 25 | 288 | 180 | 481 | 20 | 75 | 6 | 56 |
| КЦ2-1300 | 40 | 348 | 215 | 605 | 25 | 85 | 16 | 56 |
Варіант збірки редуктора КЦ2-750.

Умовне позначення редуктора КЦ2 при замовленні:
Редуктор КЦ2-750-45-43-У3, де:
КЦ2 – тип редуктора;
750 – міжосьова відстань;
45 – номінальне передаточне число;
43 – конструктивне розміщення при монтажі;
У3 – кліматичне виконання;
Технічні характеристики:
Сфери застосування редуктора КЦ2-750.
Редуктори конічно-циліндричні КЦ2 знайшли своє застосування в багатьох галузях, включаючи машинобудування, металургію, хімічну промисловість, сільське господарство та будівництво. Вони ідеально підходять для використання у транспортерах, ліфтах, змішувальному обладнанні та інших типах промислової техніки.
Приклади використання:
– Привід конвеєрних стрічок на виробничих лініях.
– Системи підйому та переміщення на будівельних майданчиках.
– Сільськогосподарські машини для обробки ґрунту.
Рекомендації щодо вибору та експлуатації:
При виборі редуктора КЦ2 враховуйте тип навантаження, умови експлуатації та потрібні параметри потужності та швидкості. Регулярно перевіряйте стан редуктора, проводьте планові технічні огляди та своєчасно замінюйте змащувальні матеріали.
Гарантії та підтримка:
Ми надаємо розширені гарантії на всі наші редуктори КЦ2, а також повний спектр послуг з технічного обслуговування та ремонту.
Як замовити:
Для замовлення або отримання додаткової інформації про циліндричні редуктори КЦ2 відвідайте наш веб-сайт або зв’яжіться з нашим відділом продажів за телефоном або електронною поштою. Ми допоможемо вам вибрати найкраще рішення, що відповідає вашим технічним вимогам.
Також у нас Ви можете отримати інформацію щодо підбору та специфікації інших видів редукторів, таких як: 1Ц2У, Ц2У, Ц2У-Н, ЦУ, 1ЦУ, Ц3У, Ц2Н, РМ, РЦД, ЦТНД, ЦЗУ, РК, ГПШ, ЦДН, ЦДНД, КЦ1, КЦ2, 1МЦ2С, МР1, МР2, МР3, МПО, В, ВК, СКУ, УЗВК, А, Ч, 2Ч, NMRV, Ч2, ЧГ, РЧП, РЧН, РГП, РГС, РГ, РГСП, 3МП, 4МП, 5МП з доставкою по всій Україні: Харків, Лозова, Ізюм, Чугуїв, Балаклія, Черкаси, Первомайський, Мерефа, Куп’янськ, Валки, Вінниця, Жмеринка, Козятин, Хмільник, Луцьк, Нововолинськ, Ковель, Кам’янка-Бузька, Рожище, Дніпро, Кривий Ріг, Нікополь, Павлоград, Кринички, Житомир, Бердичів, Коростень, Малин, Новоград-Волинський, Ужгород, Мукачево, Хуст, Берегове, Виноградів, Запоріжжя, Івано-Франківськ, Коломия, Долина, Калуш, Галич, Київ, Бориспіль, Бровари, Фастів, Біла Церква, Кропивницький, Світловодськ, Олександрія, Знам’янка, Львів, Дрогобич, Стрий, Жовква, Новояворівськ, Миколаїв, Первомайськ, Вознесенськ, Южноукраїнськ, Нова Одеса, Одеса, Південний Полтава, Кременчук, Миргород, Гадяч, Кобеляки, Рівне, Дубно, Костопіль, Здолбунів, Острог, Суми, Конотоп, Шостка, Ромни, Охтирка, Тернопіль, Чортків, Кременець, Бережани, Збараж, Хмельницький, Кам’янець-Поділь Ярмолинці, Чернігів, Ніжин, Прилуки, Бахмач, Новгород-Сіверський, Чернівці, Новоселиця, Вашківці, Сокиряни, Заставна, Івано-Франківськ.
Додаткова інформація
| Вага | 12,7 кг |
|---|---|
| Розміри | 188 × 93 × 77 см |
Основні характеристики:
| Призначення | Для гранулятора, Для двигуна, Для шнека, Для електромотора |
| Тип | Конічний, Циліндричний, Знижувальний |
| Маркування | КЦ2 |
| Передавальне число | 28, 45, 71, 112, 180 |
| Міжосьова відстань | 750mm |
| Кількість ступенів | Триступінчастий |





