Редуктор ЦДН-630 двоступеневий циліндричний
541 000 грн
З умовами доставки та оплати можна ознайомитись тут.
Опис
Редуктор циліндричний ЦДН-630 – це двоступінчаті горизонтальні редуктори з зацепленням Новікова, призначений для зміни крутного моменту та швидкості обертання в машинах і механізмах різного призначення. Ці редуктори є незамінними в сферах, де потрібна надійна та довговічна передача потужності.
Переваги:
– Ефективність та надійність: Завдяки сучасним технологіям виробництва та використанню високоякісних матеріалів, редуктори ЦДН гарантують відмінну продуктивність та довгий термін служби.
– Універсальність: Широкий спектр модифікацій дозволяє використовувати їх у різноманітних умовах і для багатьох завдань.
– Простота обслуговування: Конструкція редукторів забезпечує легкий доступ до основних компонентів, що спрощує їх технічне обслуговування.
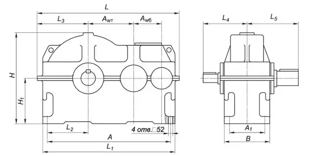
Габаритні та приєднувальні розміри, мм

| Типорозмір редуктора |
Аw Т | Аw б | А | А1 | В | Н | H1 | L | L1 | L2 | L3 | L4 | L5 | |
| і=8….25 | і=28….50 | |||||||||||||
| мм | ||||||||||||||
| ЦДН-630 | 630 | 400 | 1770 | 540 | 650 | 1225 | 630 | 1935 | 1920 | 575 | 657 | 610 | 570 | 760 |
| ЦДН-710 | 710 | 500 | 2010 | 600 | 740 | 1390 | 710 | 2175 | 2160 | 660 | 742 | 660 | 620 | 870 |
Технічні характеристики ЦДН-630
| Типорозмір редуктора |
Передавальне відношеняя |
Частота обертання вхідного вала, хв-1 |
Номінальний крутний момент на вихідний валу, Н· |
Вага, кг |
| ЦДН-630 | 8; 9; 10; 11,2; 12,5; 14; 16; 18; 20; 22,4; 25; 28; 31,5; 35,5; 40; 45; 50; | от 1500 до 600 | 71000 | 3330 |
| ЦДН-710 | 100000 | 4540 |
Приєднувальні розміри швидкохідного валу редуктора ЦДН-630.

| Редуктор | Швидкохідний вал (циліндричний) | ||||
| d | l | b | t | ||
| ЦДН-630 | і=8…25 | 110 | 210 | 28 | 116 |
| і=28…50 | 80 | 170 | 22 | 85 | |
| ЦДН-710 | і=8…25 | 125 | 210 | 32 | 132 |
| і=28…50 | 100 | 170 | 28 | 106 | |
Приєднувальні розміри тихохідного валу редуктора ЦДН-630.

| Редуктор | тихохідний вал (циліндричний) | |||
| d | l | b | t | |
| ЦДН-630 | 220 | 350 | 50 | 231 |
| ЦДН-710 | 250 | 410 | 56 | 262 |
Варіант збірки редуктора ЦДН-630.

Умовне позначення редуктора ЦДН при замовленні:
Редуктор ЦДН-630-16-12-У3, де:
ЦДН – тип редуктора;
630 – міжосьова відстань;
16 – номінальне передаточне число;
12 – конструктивне розміщення при монтажі;
У3 – кліматичне виконання;
Технічні характеристики:
Сфери застосування редуктора ЦДН-630.
Редуктори циліндричні ЦДН знайшли своє застосування в багатьох галузях, включаючи машинобудування, металургію, хімічну промисловість, сільське господарство та будівництво. Вони ідеально підходять для використання у транспортерах, ліфтах, змішувальному обладнанні та інших типах промислової техніки.
Приклади використання:
– Привід конвеєрних стрічок на виробничих лініях.
– Системи підйому та переміщення на будівельних майданчиках.
– Сільськогосподарські машини для обробки ґрунту.
Рекомендації щодо вибору та експлуатації:
При виборі редуктора ЦДН враховуйте тип навантаження, умови експлуатації та потрібні параметри потужності та швидкості. Регулярно перевіряйте стан редуктора, проводьте планові технічні огляди та своєчасно замінюйте змащувальні матеріали.
Гарантії та підтримка:
Ми надаємо розширені гарантії на всі наші редуктори ЦДН, а також повний спектр послуг з технічного обслуговування та ремонту.
Як замовити:
Для замовлення або отримання додаткової інформації про циліндричні редуктори ЦДН відвідайте наш веб-сайт або зв’яжіться з нашим відділом продажів за телефоном або електронною поштою. Ми допоможемо вам вибрати найкраще рішення, що відповідає вашим технічним вимогам.
Також у нас Ви можете отримати інформацію щодо підбору та специфікації інших видів редукторів, таких як: 1Ц2У, Ц2У, Ц2У-Н, ЦУ, 1ЦУ, Ц3У, Ц2Н, РМ, РЦД, ЦТНД, ЦЗУ, РК, ГПШ, ЦДН, ЦДНД, КЦ1, КЦ2, 1МЦ2С, МР1, МР2, МР3, МПО, В, ВК, СКУ, УЗВК, А, Ч, 2Ч, NMRV, Ч2, ЧГ, РЧП, РЧН, РГП, РГС, РГ, РГСП, 3МП, 4МП, 5МП з доставкою по всій Україні: Харків, Лозова, Ізюм, Чугуїв, Балаклія, Черкаси, Первомайський, Мерефа, Куп’янськ, Валки, Вінниця, Жмеринка, Козятин, Хмільник, Луцьк, Нововолинськ, Ковель, Кам’янка-Бузька, Рожище, Дніпро, Кривий Ріг, Нікополь, Павлоград, Кринички, Житомир, Бердичів, Коростень, Малин, Новоград-Волинський, Ужгород, Мукачево, Хуст, Берегове, Виноградів, Запоріжжя, Івано-Франківськ, Коломия, Долина, Калуш, Галич, Київ, Бориспіль, Бровари, Фастів, Біла Церква, Кропивницький, Світловодськ, Олександрія, Знам’янка, Львів, Дрогобич, Стрий, Жовква, Новояворівськ, Миколаїв, Первомайськ, Вознесенськ, Южноукраїнськ, Нова Одеса, Одеса, Південний Полтава, Кременчук, Миргород, Гадяч, Кобеляки, Рівне, Дубно, Костопіль, Здолбунів, Острог, Суми, Конотоп, Шостка, Ромни, Охтирка, Тернопіль, Чортків, Кременець, Бережани, Збараж, Хмельницький, Кам’янець-Поділь Ярмолинці, Чернігів, Ніжин, Прилуки, Бахмач, Новгород-Сіверський, Чернівці, Новоселиця, Вашківці, Сокиряни, Заставна, Івано-Франківськ.
Додаткова інформація
| Вага | 33,3 кг |
|---|---|
| Розміри | 194 × 137 × 122 см |
Основні характеристики:
| Призначення | Для двигуна, Для мульчера, Для шнека, Для електромотора |
| Тип | Циліндричний, Знижувальний |
| Маркування | ЦДН |
| Передавальне число | 8, 9, 10, 11.2, 12.5, 14, 16, 18, 20, 22.4, 25, 28, 31.5, 35.5, 40, 45, 50 |
| Міжосьова відстань | 630mm |
| Кількість ступенів | Двоступінчастий |


