Редуктор РМ-250 крановий циліндричний двоступеневий
13 900 грн
З умовами доставки та оплати можна ознайомитись тут.
Опис
Редуктор РМ-250-8: Максимальна продуктивність та надійність для вашого бізнесу
Загальний опис:
Редуктор РМ є високоякісним промисловим пристроєм, розробленим для точної та ефективної передачі крутного моменту в складних умовах експлуатації. Цей редуктор поєднує в собі передові технології та інноваційні інженерні рішення, забезпечуючи високу продуктивність та надійність у найвимогливіших промислових застосуваннях.
Переваги:
Підвищена довговічність: Виготовлений із міцних матеріалів, редуктор гарантує стійкість до зносу та корозії, що значно подовжує його термін служби.
Висока ефективність: Завдяки оптимізованій конструкції та передавальному числу, редуктор забезпечує максимальну передачу енергії при мінімальних втратах, що сприяє зниженню витрат на електроенергію.
Легкість інтеграції: Редуктор легко інтегрується в існуючі виробничі лінії, забезпечуючи гладке впровадження без необхідності доробок.
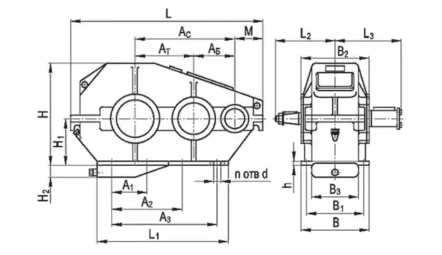
Габаритні та приєднувальні розміри, мм

| Редуктор |
Aс | Аб | Ат | А1 | А2 | А3 | В | В1 | В2 | В3 |
| РМ-250 | 250 | 100 | 150 | – | – | 235 | 230 | 190 | 230 | – |
| РМ-350 | 350 | 150 | 200 | – | – | 310 | 290 | 250 | 270 | – |
| РМ-400 | 400 | 150 | 250 | – | – | 440 | 310 | 270 | 300 | – |
| РМ-500 | 500 | 200 | 300 | 240 | – | 480 | 350 | 310 | 350 | – |
| РМ-650 | 650 | 250 | 400 | 215 | 430 | 645 | 470 | 410 | 470 | 318 |
| РМ-750 | 750 | 300 | 450 | 275 | 550 | 825 | 510 | 450 | 510 | 356 |
| РМ-850 | 850 | 350 | 500 | 300 | 600 | 900 | 580 | 520 | 580 | 408 |
| РМ-1000 | 1000 | 400 | 600 | 350 | 700 | 1050 | 660 | 590 | 660 | 472 |
продовження таблиці
| Редуктор | Н | Н1 | Н2 | h | L | L1 | L2 | L3 | M | d | n, шт | Масса, кг |
| РМ-250 | 312 | 160 | – | 22 | 540 | 320 | 200 | 239 | 101 | 17 | 4 | 85 |
| РМ-350 | 400 | 200 | – | 23 | 710 | 415 | 260 | 269 | 122 | 17 | 4 | 145 |
| РМ-400 | 490 | 250 | – | 25 | 816 | 440 | 270 | 326 | 128 | 17 | 4 | 210 |
| РМ-500 | 592 | 300 | – | 25 | 986 | 620 | 330 | 330 | 148 | 17 | 6 | 390 |
| РМ-650 | 697 | 320 | 95 | 25 | 1280 | 830 | 430 | 430 | 183 | 25 | 8 | 878 |
| РМ-750 | 743 | 320 | 130 | 35 | 1448 | 1020 | 450 | 472 | 207 | 25 | 8 | 1030 |
| РМ-850 | 875 | 400 | 165 | 35 | 1632 | 1100 | 510 | 550 | 236 | 32 | 8 | 1230 |
| РМ-1000 | 965 | 400 | 200 | 40 | 1896 | 1350 | 550 | 633 | 257 | 32 | 8 | 2122 |
Технічні характеристики редуктора РМ-250
| Типорозмір редуктора |
Передавальне число |
Частота обертання вхідного вала, мин-1 |
Номінальний крутний момент на вихідному валу, Н.м |
| РМ-250 | 8; 10; 12,5; 16; 20; 25; 31,5; 40; 50 |
от 1500 до 600 | 350 |
| РМ-350 | 800 | ||
| РМ-400 | 2500 | ||
| РМ-500 | 4900 | ||
| РМ-650 | 9500 | ||
| РМ-750 | 15000 | ||
| РМ-850 | 18800 | ||
| РМ-1000 | 28700 |
Приєднувальні розміри валів редуктора, мм.

| Редуктор
|
d | d1 | d2 | l | l1 | b | t | d3 | d4 | l2 | b1 | t1 |
| РМ-250 | 30 | 50 | M20*1.5 | 80 | 60 | 8 | 16.5 | 55 | 65 | 85 | 18 | 63 |
| РМ-350 | 40 | 63 | M24*2.0 | 110 | 82 | 12 | 21.5 | 55 | 65 | 85 | 18 | 63 |
| РМ-400 | 40 | 63 | M24*2.0 | 110 | 82 | 12 | 24.5 | 80 | 90 | 123 | 22 | 88 |
| РМ-500 | 50 | 70 | M36*3.0 | 110 | 85 | 12 | 25.95 | 80 | 90 | 130 | 22 | 88 |
| 95 | 25 | 104 | ||||||||||
| РМ-650 | 60 | 94 | M42*3.0 | 140 | 105 | 16 | 31.38 | 110 | 130 | 165 | 28 | 120 |
| 125 | 32 | 136 | ||||||||||
| РМ-750 | 60 | 94 | M42*3.0 | 140 | 105 | 16 | 31.38 | 110 | 130 | 165 | 28 | 120 |
| РМ-850 | 90 | 130 | M64*4.0 | 170 | 130 | 22 | 46.75 | 130 | 150 | 200 | 32 | 141 |
| РМ-1000 | 90 | 130 | M64.4.0 | 170 | 135 | 24 | 49 | 150 | 170 | 240 | 40 | 162 |
Варіант збірки редуктора РМ-250

Умовне позначення Редуктора РМ при замовленні:
Редуктор РМ-250-8-12-У2, де:
РМ – тип редуктора;
250 – міжосьова відстань;
8 – номінальне передаточне число;
12 – конструктивне розміщення при монтажі;
У2 – кліматичне виконання;
Сфери застосування:
Редуктор РМ-250-8 ідеально підходить для використання в таких галузях, як металургія, машинобудування, гірничодобувна промисловість та будівництво. Він здатний ефективно працювати в системах конвеєрів, насосах, вентиляторах та іншому обладнанні, що вимагає надійної передачі потужності.
Приклади успішного використання:
Металургійні заводи: Редуктори РМ використовуються для управління приводами конвеєрних систем, що дозволяє забезпечити стабільне та надійне рух заготовок.
Гірничодобувна промисловість: Застосування у дробильних машинах для забезпечення безперервної переробки руди.
Рекомендації щодо вибору та експлуатації:
При виборі редуктора РМ рекомендується враховувати плановані навантаження та умови експлуатації. Регулярне технічне обслуговування та використання рекомендованих мастильних матеріалів допоможуть забезпечити його довгострокову та ефективну роботу.
Гарантії та підтримка:
Ми надаємо розширену гарантію на редуктор РМ, а також повний спектр післяпродажного обслуговування, включаючи доступ до запасних частин та професійну технічну підтримку.
Як замовити:
Для замовлення або отримання додаткової інформації про редуктор РМ відвідайте наш веб-сайт або зв'яжіться з нашим відділом продажів. Ми надамо всю необхідну допомогу для вибору оптимального обладнання, що відповідає вашим потребам.
Також у нас Ви можете отримати інформацію щодо підбору та специфікації інших видів редукторів, таких як: 1Ц2У, Ц2У, Ц2У-Н, ЦУ, 1ЦУ, Ц3У, Ц2Н, РМ, РЦД, ЦТНД, ЦЗУ, РК, ГПШ, ЦДН, ЦДНД, КЦ1, КЦ2, 1МЦ2С, МР1, МР2, МР3, МПО, В, ВК, СКУ, УЗВК, А, Ч, 2Ч, NMRV, Ч2, ЧГ, РЧП, РЧН, РГП, РГС, РГ, РГСП, 3МП, 4МП, 5МП з доставкою по всій Україні: Харків, Лозова, Ізюм, Чугуїв, Балаклія, Черкаси, Первомайський, Мерефа, Куп'янськ, Валки, Вінниця, Жмеринка, Козятин, Хмільник, Луцьк, Нововолинськ, Ковель, Кам'янка-Бузька, Рожище, Дніпро, Кривий Ріг, Нікополь, Павлоград, Кринички, Житомир, Бердичів, Коростень, Малин, Новоград-Волинський, Ужгород, Мукачево, Хуст, Берегове, Виноградів, Запоріжжя, Івано-Франківськ, Коломия, Долина, Калуш, Галич, Київ, Бориспіль, Бровари, Фастів, Біла Церква, Кропивницький, Світловодськ, Олександрія, Знам'янка, Львів, Дрогобич, Стрий, Жовква, Новояворівськ, Миколаїв, Первомайськ, Вознесенськ, Южноукраїнськ, Нова Одеса, Одеса, Південний Полтава, Кременчук, Миргород, Гадяч, Кобеляки, Рівне, Дубно, Костопіль, Здолбунів, Острог, Суми, Конотоп, Шостка, Ромни, Охтирка, Тернопіль, Чортків, Кременець, Бережани, Збараж, Хмельницький, Кам'янець-Поділь Ярмолинці, Чернігів, Ніжин, Прилуки, Бахмач, Новгород-Сіверський, Чернівці, Новоселиця, Вашківці, Сокиряни, Заставна, Івано-Франківськ.
Додаткова інформація
| Вага | 0,85 кг |
|---|---|
| Розміри | 54 × 44 × 32 см |
Основні характеристики:
| Призначення | Для гранулятора, Для двигуна, Для колуна, Для мульчера, Для електромотора |
| Тип | Крановий, Циліндричний, Знижувальний |
| Маркування | РМ |
| Передавальне число | 8, 10, 12.5, 16, 20, 25, 31.5, 40, 50 |
| Міжосьова відстань | 250mm |
| Кількість ступенів | Двоступінчастий |






